Ford Fiesta Betriebsanleitungen
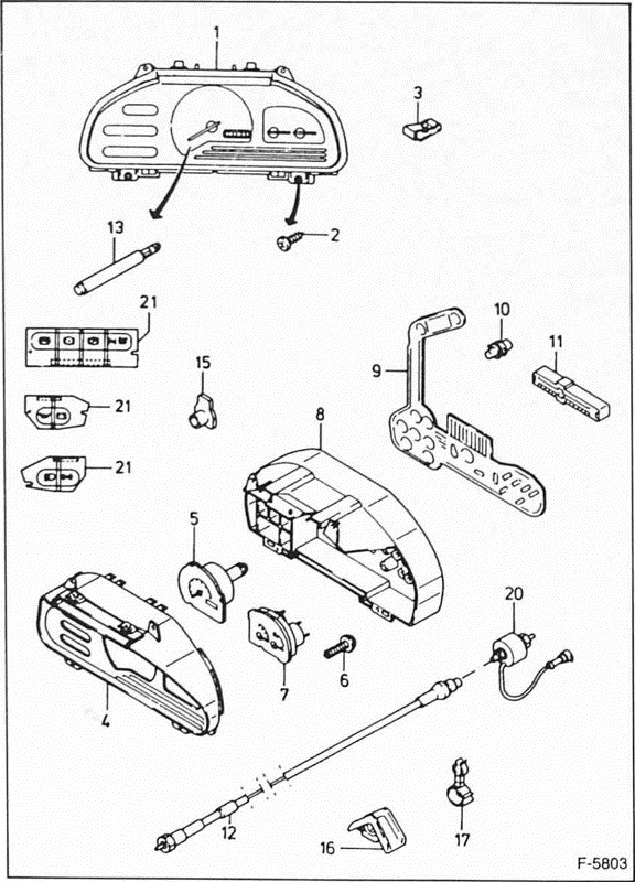
Beim ford fiesta sind die armaturen in einem schalttafelemsatz zusammengefaßt. Nach ausbau des schalttafeleinsatizes können die instrumente, beziehungsweise glühlampen, ausgebaut werden.

Schalter für heckscheibenheizung aus- und einbauen
Der schalter sitzt in der vorderen mittelkonsole zwischen den
heizungsbedienungsschaltern und dem radio.
Ausbau
Batterie-massekabel abklemmen.
Radio ausbauen, siehe seite 214.
3 Kreuzschlitzschrauben herausdrehen und abdeckung
von der vorderen mi ...
Fahrer-airbag
Der airbag löst sich bei schweren
frontalkollisionen bzw. Kollisionen mit
einem aufprallwinkel bis zu 30 von links
oder rechts aus. Der airbag bläst sich in
wenigen tausendstelsekunden auf. Die
luft entweicht bei kontakt mit dem
insassen wodurch der ...