Ford Fiesta Betriebsanleitungen
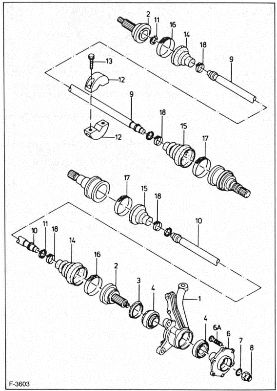
Aufgrund der seitlich versetzten lage des getriebegehäuses im fahrzeug sind die gelenkwellen rechts und links unterschiedlich lang. um die schwingungen an der längeren, rechten gelenkwelle zu reduzieren, ist ein zusätzlicher schwingungsdämpfer eingebaut. dabei handelt es sich um ein tilgergewicht, das an einer ganz bestimmten stelle mit klemmschrauben an der welle befestigt ist. vor dem ausbau des tilgergewichts einbaulage mit filzstift oder reißnadel kennzeichnen.

Hinteres federbein zerlegen'stoßdämpfer/
schraubenfeder aus-und einbauen
Seit 5.90 Werden stoßdämpfer mit einer geänderten oberen
lagerbüchse eingebaut. Falls bei fahrzeugen vor diesem
datum klopfgeräusche an der hinteren radaufhängung auftreten,
die nicht durch nachziehen der befestigungsschrauben
beseitig ...
Fahrer-airbag
Der airbag löst sich bei schweren
frontalkollisionen bzw. Kollisionen mit
einem aufprallwinkel bis zu 30 von links
oder rechts aus. Der airbag bläst sich in
wenigen tausendstelsekunden auf. Die
luft entweicht bei kontakt mit dem
insassen wodurch der ...