Ford Fiesta Betriebsanleitungen

Die kupplung übernimmt im auto 2 aufgaben: beim schalten oer gänge trennt sie den kraftschluß zwischen motor und getriebe und beim anfahren sorgt sie durch die reibung für eine ruckfreie kraftübertragung.
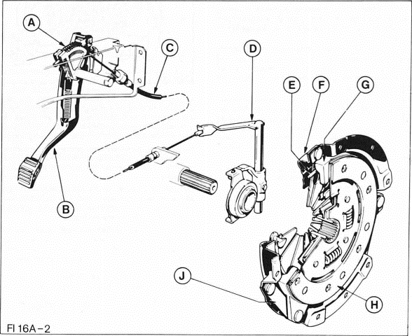
Die kupplung besteht aus der kupplungsdruckplatte, der kupplungsmitnehmerscheibe und dem ausrücklager.
Die kupplungsdruckplatte ist fest mit dem schwungrad verschraubt.
Das wiederum an aer kurbelwelle des motors angeflanscht ist. Zwischen der kupplungsdruckplatte und dem schwungrad befindet sich die kupplungsmitnehmerscheibe, die von der kupplungsdruckplatte gegen das schwungrad gepreßt wird. Die mitnehmerscheibe wird von der verzahnten getnebeantnebswelle zentnert.
Beim niedertreten des kupplungspedals (auskuppeln) wird über das kupplungsseil und den ausrückhebel das ausrücklager gegen die feder der kupplungsdruckplatte gedrückt.
Dadurch entspannt sich die kupplungsdruckplatte, und die mitnehmerscheibe wird nicht mehr gegen die schwungscheibe gepreßt. Der kraftschluß zwischen motor und getriebe ist also aufgehoben.
Wird das kupplungspedal zurückgenommen (einkuppeln), preßt die druckplatte die mitnehmerscheibe gegen das schwungrad. Der kraftschluß ist wieder hergestellt, da die angepreßte mitnehmerscheibe über die verzahnung fest mit der getnebewelle verbunden ist.
Bei jedem ein- und auskuppeln wird durch den leichten schleifvorgang etwas reibbelag von der mitnehmerscheibe abgeschliffen.
Die mitnehmerscheibe ist also ein verschleißteil, doch hat sie eine mittlere lebensdauer von über 100000 kilometer.
Der verschleiß hängt im wesentlichen von der belastung (anhängerbetrieb) und der fahrweise ab. Die kupplung ist wartungsfrei.
Eine automatische nachstellvorrichtung sorgt dafür, daß sich das kupplungspedalspiel auch bei fortschreitender abnutzung der kupplungsbeläge nicht verändert

Die nachstellfunktion übernimmt ein zahnsegment - c - . Das drehbar auf der welle des kupplungspedals gelagert ist. In das zahnsegment ist der kupplungsseilzug - a - eingehängt. Bei nicht betätigtem kupplungspedal wird das kupplungsseil ausschließlich durch die zugfeder - d - unter spannung gehalten.
Sobald das kupplungspedal niedergetreten wird, arretiert die sperrklinke - b - das zahnsegment. Dadurch wird eine starre verbindung geschaffen und das betätigen der kupplung ermöglicht.
Nachdem sich das pedal wieder in ruhestellung befindet, gibt die sperrklinke das zahnsegment frei. Durch die zugfeder wird das zahnsegment nun nach hinten -pfeilrichtung - gezogen, bis der kupplungszug spielfrei gespannt ist.
Falls ein entsprechender belagverschleiß vorliegt, zieht die feder das zahnsegment etwas weiter nach hinten als vor dem betätigen der kupplung. Wird das kupplungspedal wieder niedergetreten.
Arretiert die sperrklinke das zahnsegment um einen zahn weiter vorn und gleicht dadurch den belagverschleiß aus. Die mechanik des kupplungspedals ist dabei so ausgelegt, daß beim niedertreten des pedals die sperrklinke das zahnsegement immer nach dem gleichen pedalweg arretiert das kupplungspedalspiel bleibt daher konstant.
Kuhlmittel-temperaturfühler prüfen/aus- und einbauen
Der temperaturfühler mißt die motortemperatur und gibt sie an
das steuergerät weiter. Der fühler beinhaltet ein ntc-element
(ntc = negativer temperatur-coeffizient). Das seinen widerstand
bei steigender temperatur verringert. Bei defektem fü ...
Bremskraftverstarker prüfen
Der bremskraftverstärker ist auf funktion zu überprüfen, wenn
zur erzielung ausreichender bremswirkung die pedalkraft
außergewöhnlich hoch ist.
Bremspedal bei stehendem motor mindestens 5mal kräftig
durchtreten, dann bei bela ...