Ford Fiesta Betriebsanleitungen

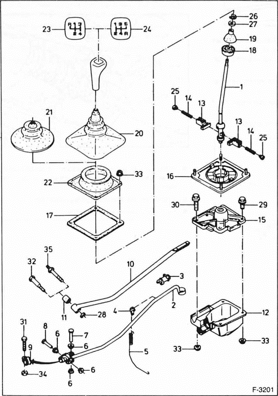
Schaltung einstellen
5-Gang-getriebe


In dieser stellung dorn oder bohrer mit 3,5 mm 0 durch die bohrung im schaltgehäuse und im schalthebel stecken - pfeil -. Der schalthebel ist nun in dieser position arretiert.

Achtung: bei fahrzeugen mit katalysator arretierstift durch eine aussparung im abschirmblech einführen

Dabei darauf achten, daß die schaltwelle sich nicht verdreht.
4-Gang-getriebe
In dieser stellung geeigneten dorn oder bohrer mit 3,5 mm 0 durch die bohrung im schaltgehäuse und im schalthebel stecken der schalthebel ist nun in dieser position arretiert.
Karosserie ausbeulen/rostlöcher ausbessern
Kleine dellen können mit einem ausbeulhammer sowie einem
passenden handamboß ausgebeult werden. Bei rostlöchern
in der karosserie empfiehlt es sich, das teil ]e nach schadensumfang
komplett auszutauschen oder ein blechstück einschweißen
zu ...
Schlüssel oder fernbedienungen - ersetzen
Ersatzschlüssel bzw. Zusätzliche schlüssel
oder fernbedienungen können sie bei
einem vertragshändler erwerben. Ihr
händler kann fernbedienungen für ihr
fahrzeug programmieren. Auf wunsch
kann die schlüsselprogrammierung f&uum ...