Ford Fiesta Betriebsanleitungen
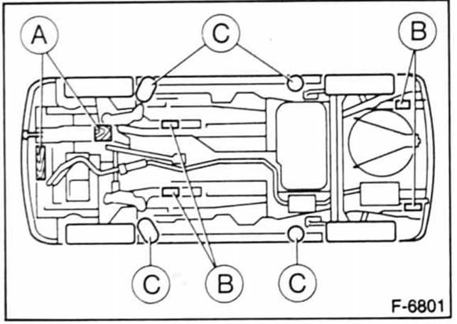
Für viele wartungs- und reparaturarbeiten muß das fahrzeug aufgebockt beziehungsweise hochgehoben werden. In der werkstatt wird der wagen in der regel mit der hebebühne angehoben, man kann ihn |edoch auch mit dem fahrzeug- oder werkstatt-wagenheber anheben. Grundsätzlich darf das fahrzeug nur an den abgebildeten aufnahmepunkten angehoben werden.
Bei arbeiten unter dem fahrzeug muß dieses, falls es nicht auf einer hebebühne steht, auf vier stabilen unterstellböcken stehen.
Auf keinen fall dürfen arbeiten unter dem fahrzeug ausgeführt werden, wenn dieses nicht ausreichend gesichert ist.
Achtung: muß das fahrzeug auf weichem untergrund hochgebockt werden, müssen breite bretter unter den wagenheber und die unterstellbocke gelegt werden, damit sich das gewicht auf eine größere fläche verteilt.
Achtung: keinesfalls darf der wagen an motor- oder getriebeteilen angehoben oder abgestützt werden.
Anheb- und aufbockpunkte

Achtung: wagenheber auf keinen fall unter dem hinterachstrager oder dem querträger ansetzen, der zwischen den beiden vorderen querlenkern befestigt ist. Mit dem querträger sind nur die xr2i-modelle ausgerüstet.
Anheben mit dem bordwagenheber


Achtung: wird das fahrzeug mit einem wagenheber hochgehoben, fahrzeug immer mit unterstellbock sichern.
Zentraleinspritzeinheit 1,1-l-motor
Oberteil einspritzeinheit
unterteil einspritzeinheit
einspritzventil
druckregler
dichtungen
drosselklappensensor
stellmotor
mit halter drosselklappe
anschlußleitung
für einspritzventil
ansaugluft-temperatursensor
gehäus ...
Behälter scheibenwaschanlage aus-und einbauen
Die vordere und hintere scheibenwaschanlage werden aus
einem gemeinsamen vorratsbehälter, der sich vor dem linken
vorderrad befindet, versorgt. Je nach drehrichtung der
pumpe wird das waschwasser entweder zur windschutzscheibe
oder zur heckscheibe geförder ...