Ford Fiesta Betriebsanleitungen
Der umgang mit dem schaltplan
In einem personenwagen werden bis zu 1000 meter leitungen verlegt, um alle elektrischen verbraucher (scheinwerfer.
Radio usw.) Mit strom zu versorgen will man einen fehler in der elektrischen anlage aufspüren oder nachträglich ein elektrisches zubehör montieren, kommt man nicht ohne schaltplan aus. Anhand dessen der stromverlauf und damit die kabelverbindungen aufgezeigt werden. Grundsätzlich muß der betreffende stromkreis geschlossen sein, sonst kann der elektrische strom nicht fließen. Es reicht beispielsweise nicht aus. Wenn an der plusklemme (+) eines scheinwerfers spannung anliegt, wenn nicht gleichzeitig über den masseanschluß (-) der stromkreis geschlossen ist.
Deshalb ist auch das massekabel (-) von der batterie mit der karosserie verbunden. Mitunter reicht diese masseverbindung jedoch nicht aus, und der betreffende verbraucher bekommt eine direkte masseleitung, deren isolierung in der regel braun eingefarbt ist. In den einzelnen stromkreisen können schalter, relais, sicherungen, meßgeräte, elektrische motoren oder andere elektrische bauteile integriert sein. Damit diese bauteile richtig angeschlossen werden können, haben die einzelnen kontakte entsprechende klemmenbezeichnungen.
Um das kabelgewirr zumindest auf dem schaltplan übersichtlich zu ordnen, ist das gesamte elektrische system des fahrzeuges in einzelne schaltkreise aufgeteilt. Elektrische bauteile, die zusammenwirken, sind auf einem gemeinsamen plan dargestellt.
Achtung: die darstellung der bauteile und kabel erfolgt nicht maßstabsgerecht. So erscheint zum beispiel ein kabel von über 1 m länge nicht anders, als ein kabel, das nur wenige cm lang ist.
Die wichtigsten klemmenbezeichnungen sind:
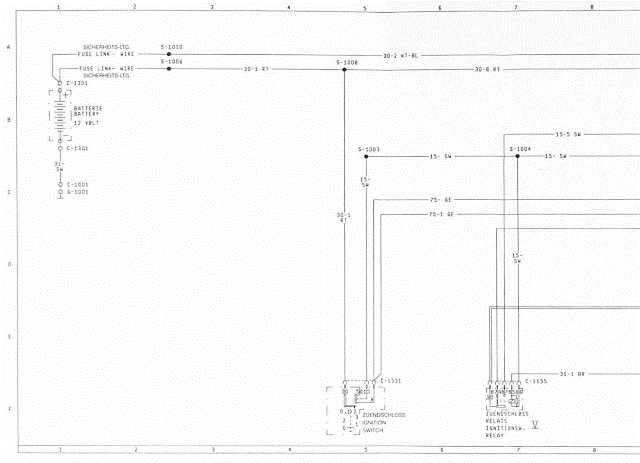
Klemme 15 wird über das zündschloß gespeist. Die leitungen führen nur bei eingeschalteter zündung strom. Die kabel sind meist schwarz oder schwarz mit farbigem streifen.
Klemme 30. An dieser klemme liegt immer die batteriespannung an. Die kabel sind meist rot oder rot mit farbigem streifen.
Klemme 31 führt zur masse. Die masse-leitungen sind in der regel braun.
Damit sich teile, die in mehreren stromkreisen funktionswirksam sind, nicht in jedem schaltplan wiederholen, sind sie in einem getrennten plan vorangestellt. Dieser sogenannte "einspeise-plan" führt vom pluspol der batterie bis zur jeweiligen sicherung oder einem anderen markanten verteilerpunkt.
Der einspeise-plan gilt für alle anderen schaltpläne.
Die zahlen mit pfeilen (4 ) weisen dabei auf die nummer des jeweiligen anschlußplanes hin.
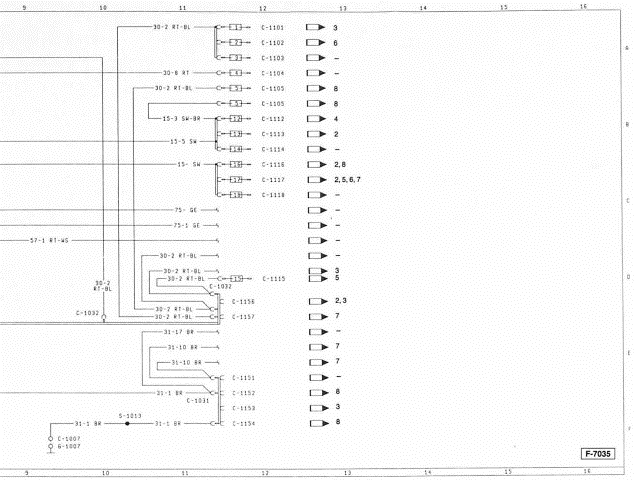
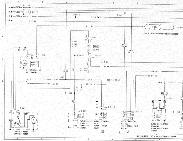
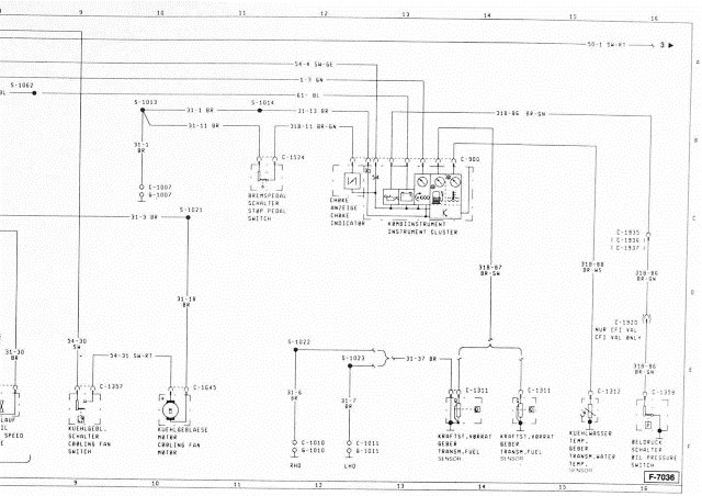
In der erläuterung (legende) unter jedem schaltplan sind die schaltungsteile mit der entsprechenden positionsangabe aufgeführt. Jeder schaltplan ist durch buchstaben (a bis f) am linken und rechten rand sowie durch zahlen (1 bis 16) am oberen und unteren rand in suchfelder eingeteilt. Das gesuchte schaltungsteil befindet sich im schnittpunkt gedachter waagerechter und senkrechter linien, ausgehend vom entsprechenden buchstaben und der dazugehörigen zahl, die als positionsangabe in der legende hinter dem schaltungsteil stehen.
Die buchstaben in den gezeichneten leitungen geben die farbe des kabels im fahrzeug an. Eine aufschlüsselung der farben steht unter jedem schaltplan.
Steck- und klemmverbindungen sind mit c-nummern gekennzeichnet.
Zum beispiel c-1108. Mit s-nummern sind die lötstellen und mit g-nummern die massestellen gekennzeichnet.
Die linke seite des fahrzeugs, in fahrtrichtung gesehen, wird im schaltplan mit "lh", die rechte seite mit "rh" bezeichnet.
Bei schaltungsteilen und elektrischem zubehör, die nur in exportversionen vorhanden sind, weist im plan ein kleines nationalitätskennzeichen auf das betreffende land hin.
Schaltpläne
Aus platzgründen kann nicht jeder stromlaufplan für die einzelnen motor- und modellvarianten sowie aus jedem modelljahr berücksichtigt werden. Bei einer neuauflage wird jeweils der aktuelle stromlaufplan veröffentlicht, an dem sich auch fahrzeugbesitzer älterer modelle orientieren können.
Anordnung schaltpläne ford fiesta



Plan 1: Einspeise-system

Plan 2: lade-und anlaßsystem







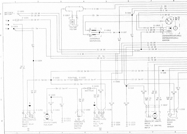
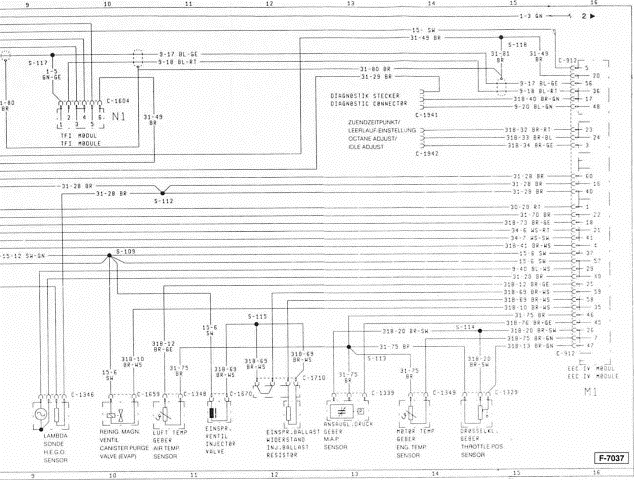
Plan 3: benzineinspritzung 1,4-l-cvh-motor mit katalysator

Plan 4: 1,8-i-dieselmotor / heizung

Plan 5: signal-und warnanzeigen


Plan 6: innenbeleuchtung

Plan 7: außenbeleuchl

Plan 8: scheiben-wisch- und waschanlage

Funktionsbeschreibung
Frischluft
Halten sie die lufteinlässe vor der
windschutzscheibe frei von fremdkörpern
(zum beispiel schnee oder laub), damit
die innenraumklimatisierung wirkungsvoll
funktionieren kann.
Umluft
Achtung
Bei längerem umluftbetrieb können
die s ...
Verwenden der stabilitätsregelung - 1.6L
ecoboost
Achtung
Durch ausschalten der
stabilitätskontrolle wird auch die
auffahrschutzfunktion "active city
stop" deaktiviert. Nichtbeachten dieser
warnung kann zu schweren oder tödlichen
verletzungen führen.
Beachte: das system schaltet sich ...